问:货架立柱组底部剪力引起的横向弯矩特别大,立柱的抗弯强度校核都通不过,更别提压弯组合校核了。有没有什么方法解决?
答:
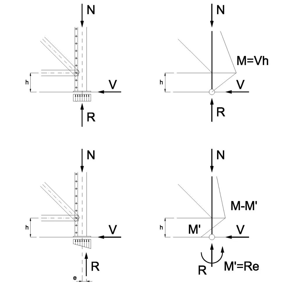
问题,如下图所示。
当沿立柱组方向的柱脚设为铰接时,立柱在第一根横撑位置的弯矩M可以简单地由立柱底部剪力V与高度h的乘积获得。由于地震引起的底部剪力V都很大,因此在弯矩M作用下立柱截面可能就屈服了。这种情况对应的柱脚底板下部的反力为均匀分布,立柱轴力N与柱脚反力R同轴,因此柱脚处弯矩为零。
我们可以允许柱脚弯矩进行重分布,即认为柱脚底板下部的反力非均匀分布,立柱轴力N与柱脚反力R存在偏心e,这样柱脚存在弯矩M'=Re,从而降低第一根横撑处的立柱弯矩至M-M’。柱脚弯矩重分布的前提是结构是静定的,可以设置沿立柱组方向的柱脚刚度为EI/h,从而计算柱脚处的弯矩M’,其中EI为立柱沿立柱组方向的弯曲刚度。
本站的原创文章,请转载时务必注明出处:稳图WESAFE,不尊重原创的行为我们将追究责任。