除了一般的受压和受弯,货架立柱柱脚还可能受拉,这种情况出现在货架空载时受到作业设备水平力作用,或者货架仅顶部几层有货时受到地震作用。如下图所示,在水平荷载作用下,组成立柱组的两根立柱中的一根受拉。当立柱组高宽比较大时,拉力很可观。
在拉力作用下,立柱柱脚的锚栓受拉承载要满足要求。根据标准,柱脚锚栓的设计必须考虑以下二者之一引起的锚栓拉力:
(1)2倍的上拔力,即2E;
(2)使柱脚底板屈服对应的上拔力,但不小于E。
由于柱脚底板并不是无限刚性板,在上拔力作用下将会发生变形,如果变形较大,板边缘会产生向上的撬力,这种情况下,锚栓受到的拉力会明显增大,如下图所示。
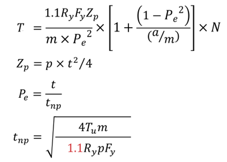
所有锚栓受到的总拉力T为:
其中,
Fy为柱脚底板指定的最小屈服强度或实际屈服强度;
Ry为实际预期屈服强度与指定的最小屈服强度的比值,当指定最小Fy=36ksi(约250MPa)时取1.5,当指定最小Fy=50ksi(约345MPa)时取1.1,当Fy为实际屈服强度时取1.0;
t为柱脚底板厚度;
Tu为单侧螺栓受到的上拔力计算值;
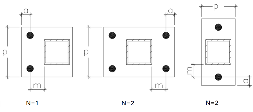
a、p、m、N见下图。
参数Pe,即柱脚底板厚度t与不出现撬力所需厚度tnp的比值,决定是否出现撬力。以tnp=6.35mm为例,当t=4.8mm时,有撬力,计算得到T=45.7kN;当t=6.35mm时,无撬力,计算得到T=28.3kN,锚栓受到的拉力明显下降。
建议柱脚底板厚度不小于0.75tnp,且不小于6.35mm。
本站的原创文章,请转载时务必注明出处:稳图WESAFE,不尊重原创的行为我们将追究责任。